转载请注明出处。
金属钣金新闻
获得更好的对比度,你可能只差这几步
星之球科技 来源:IPG光纤激光器2015-09-04
我要评论(0 )
Epilog选择高对比度激光器自1988年设计并制造激光系统以来,Epilog一直致力于设计及制造用于深雕、切割和打标木材、亚克力、塑料
Epilog选择高对比度激光器
自1988年设计并制造激光系统以来,Epilog一直致力于设计及制造用于深雕、切割和打标木材、亚克力、塑料、纺织品、橡胶及许多其他材料的激光系统。作为领先的系统集成商,Epilog为其产品FiberMark系统引进了新的激光器。“新激光器将增强某些塑料的打标效果”,Epilog公司FiberMark产品经理Bob Henry表示。
“完美的打标对于那些必须持续改进质量控制、识别过程和可追溯性的行业来说具有重要意义。”
Epilog宣称,具有高对比度的新激光器具有更有效的开关光控制,因此增加了峰值功率、提高了脉冲速度。这类激光器在现有的打标应用中为用户提供了更多的控制方式及灵活性,同时还具备了在更多材料上进行高质量打标的加工能力。 将新型激光器作为光源,有助于更好地为多个行业的客户对部件及构件进行标记。
“我们为继续与这家创新公司保持合作关系而感到由衷的高兴“,Henry说道。“新光源提供的创新性能有助于我们增强FiberMark产品线并提高我们客户的生产率。”
对比度,是指在一幅图像中明暗区域最亮的白与最暗的黑之间不同亮度的渐变层次,是最白与最黑亮度的比值。渐变层次越多,比值越大,对比度越高;渐变层次越少,比值越小,对比度越低。对比度对视觉效果的影响非常关键,一般来说对比度越高,图像越清晰醒目,色彩也越鲜明艳丽;而对比度越低,图像越不清晰。高对比度对于图像的清晰度、细节表现、灰度层次表现都有很大帮助。
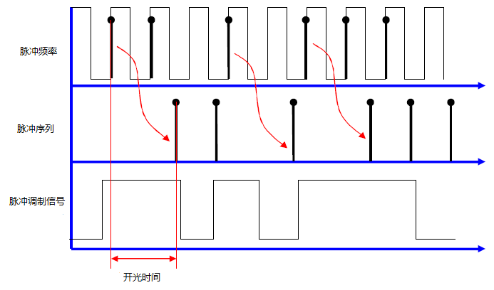
激光标记具有诸多优势,已经成为包装、制造等多个行业的重要应用。如何才能实现更高的对比度,又同时提升提升生产效率?调频和调幅这两种方式可以能解决这个问题。
调频
调频是指在不改变脉冲能量和脉宽的的情况下,提高重复频率,使单位面积内打标的点数增多,密度增大。
“这一规律被应用于具有非常精细要求的金属表面处理。当扫描速度为0.1-2m/s时,伴生了激光光斑的高度重叠。这使低能量脉冲能够对金属表面进行非常精细的处理……”
您可以长按下图,了解如何通过调频提高标记对比度。
调幅
调幅是对每一个脉冲进行单独调制。首先我们需要对激光器的开/关光模式进行描述。开/关光模式决定了脉冲的升/降时间。传统脉冲激光器采用Bitstream(BS)开光模式,开光时间为100-200 μs(依型号不同会略有差异)(图1),加工效率较低。
图1 BS开光模式
而采用了Bitstream1(BS1)开光模式的新型激光器,则大大节省了开光时间(图2),不会丢失脉冲,出光速度快,大大提高了加工效率。

图2 BS1开光模式
新型脉冲激光器还具有可调脉冲(AdjPulse)模式,可以通过调制振幅和脉宽而对每一个脉冲进行精确独立的控制(图3),因此增强了对比度。采用BS1模式的新一代脉冲激光器,特别适合用于位图、条形码等超精细加工应用。

图3 调幅,每一个脉冲都起到加工作用
无论采用BS模式还是BS1模式,脉冲激光器的关光时间都只有2-3 μs,这种情况下脉冲激光器的功率快速地从从100%降至0.1%,关光时不会产生“甩尾“现象,特别适合对高敏感材料的超高速加工。
图4 关光时间短,特别适合超敏感材料的标记
图5 IPG脉冲激光器在不同材料上的高对比度标记
凭借对开、关光的快速响应,新一代脉冲激光器已经在各种标签、心脏起搏器、零部件、工具、电子产品等的条形码、二维码、位图等追溯、识别标记中有成功的应用。
YLP全系列脉冲激光器通过设计,率先突破了以往不能在高反材料上进行标记加工的困境。既可以能对常规材料进行处理,也可以在金、银、铜、铝、硅等高反材料上进行加工。这种传统优势与创新的高对比度、高生产效率一起,帮助客户成功地实现了不同材料的激光标记。
“黑白分明”有时也是一种好处。IPG纳秒激光器脉冲范围堪称全球之最,提供多种操作参数以满足多种需求。新朋友请长按图片,继续关注我们的产品在先进材料加工中的应用。

免责声明
① 凡本网未注明其他出处的作品,版权均属于激光制造网,未经本网授权不得转载、摘编或利用其它方式使用。获本网授权使用作品的,应在授权范围内使
用,并注明"来源:激光制造网”。违反上述声明者,本网将追究其相关责任。
② 凡本网注明其他来源的作品及图片,均转载自其它媒体,转载目的在于传递更多信息,并不代表本媒赞同其观点和对其真实性负责,版权归原作者所有,如有侵权请联系我们删除。
③ 任何单位或个人认为本网内容可能涉嫌侵犯其合法权益,请及时向本网提出书面权利通知,并提供身份证明、权属证明、具体链接(URL)及详细侵权情况证明。本网在收到上述法律文件后,将会依法尽快移除相关涉嫌侵权的内容。
相关文章
网友点评
0 条相关评论
热门资讯
精彩导读
关注我们
关注微信公众号,获取更多服务与精彩内容





































