转载请注明出处。
导轨系统
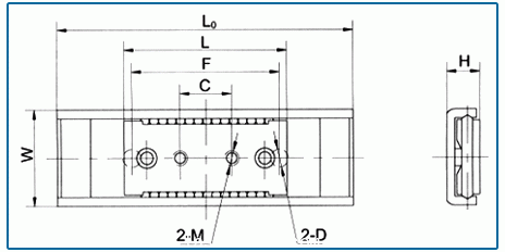
交叉滚子导轨[SGD型]
星之球科技 来源:烟台同升科技2011-08-03
我要评论(0 )
交叉滚子导轨[SGD型] 型号 MODLE W H L0 L F C M D SGD13 13 4.5 40 22 20 7 M2 2.4
免责声明
① 凡本网未注明其他出处的作品,版权均属于激光制造网,未经本网授权不得转载、摘编或利用其它方式使用。获本网授权使用作品的,应在授权范围内使
用,并注明"来源:激光制造网”。违反上述声明者,本网将追究其相关责任。
② 凡本网注明其他来源的作品及图片,均转载自其它媒体,转载目的在于传递更多信息,并不代表本媒赞同其观点和对其真实性负责,版权归原作者所有,如有侵权请联系我们删除。
③ 任何单位或个人认为本网内容可能涉嫌侵犯其合法权益,请及时向本网提出书面权利通知,并提供身份证明、权属证明、具体链接(URL)及详细侵权情况证明。本网在收到上述法律文件后,将会依法尽快移除相关涉嫌侵权的内容。
相关文章
网友点评
0 条相关评论
热门资讯
精彩导读
关注我们
关注微信公众号,获取更多服务与精彩内容


















































